CONTACT US
智淼消防氣體滅火施工安裝公司
聯系人:何經理
服務熱線:4006-598-119
郵箱:1334605518@qq.com
傳真:15262554119
地址:蘇州常熟市黃河路275號
當前位置: 首頁>>產品中心>>氣體滅火報警控制系統>>青鳥氣體滅火系統
商品類別:青鳥氣體滅火系統
點擊次數:10291
上架時間:2025年02月07日
全國服務熱線: 4006-598-119
產品描述
青鳥JBF5016氣體滅火控制器

一、青鳥JBF5016氣體滅火控制器功能特點
青鳥JBF5016氣體滅火控制器為壁掛式安裝,分別可完成多區的氣體滅火聯動控制。
可連接緊急啟停按鈕、手自動轉換盒、氣體釋放警報器、聲光警報器、輸入/輸出模塊等設備。
氣體滅火控制的延時啟動時間、啟動輸出時間均可調。
液晶顯示屏,中、英文界面切換,可顯示32字符16個漢字的地址中文注釋。
具備在線和離線聯動編程功能,同時支持U盤數據下載,調試方便。
無需增加聯網硬件可直接與北大青鳥JBF-11SF、51系列控制器進行聯網。
控制器具備檢修開關,可靠的保障了系統維護時的安全性。
超強的系統配套功能,具備多組無源信號輸入端,方便配接不同火災報警聯動控制器。
二、青鳥JBF5016氣體滅火控制器技術參數
| 型號 | JBF5016 |
| 名稱 | 氣體滅火控制器 |
| 品牌 | 青鳥消防 |
| 供電主電 | AC220V +10% -15% 50Hz |
| 備電 | DC.12V/4.5Ah×2 |
| 系統容量 | 2區-4區 |
| 回路容量 | 每回路80點(緊急啟停按鈕、手自動轉換盒、聲光警報器、輸入輸出模塊) |
| 輸出電流 | 噴灑輸出更大 電流2A |
| 工作溫度 | -10~+50℃ |
| 貯存溫度 | -20~+50℃ |
| 相對濕度 | ≤95%(40±2℃) |
| 重量 | 13kg |
| 外型尺寸 | 410mm寬×540mm高×130mm厚 |
三、青鳥JBF5016氣體滅火控制器外形結構及安裝

JBF5016氣體滅火控制器為壁掛式結構設計,可直接明裝在墻壁上。
四、青鳥JBF5016氣體滅火控制器端子接線示意圖

L+、L-:無極性回路總線,接聲光警報器、輸入/輸出模塊、緊急啟停按鈕、手自動轉換盒;
IN1、G:輸入端子1,外接無源輸入信號,用于報火警,需配接10K,1/4W終端電阻;
IN2、G:輸入端子2,外接無源輸入信號,用于報火警,需配接10K,1/4W終端電阻;
IN、G:噴灑反饋,接收鋼瓶壓力開關無源閉合信號,需配接10K,1/4W終端電阻;
C+、C-:噴灑啟動,控制電磁閥式氣體滅火裝置見下圖,需在終端配接終端組件;控制氣溶膠氣體滅火裝置見下圖,需在終端配接JBF5183氣溶膠控制接線盒;
24V、G:24V輸出,更大 輸出電流4A,現場聯動設備供電使用。
五、青鳥JBF5016氣體滅火控制器噴灑啟動輸出接線示意圖(控制七氟丙烷等電磁閥式氣滅裝置)

安裝注意事項:
每路氣滅控制輸出需在氣體滅火裝置端配接終端組件。(輸入:C+紅線連接主機噴灑輸出C+端子、C-黑線連接主機噴灑輸出C-端子;輸出端無正負)
JBF5014氣體滅火控制器每路氣滅控制輸出更大 電流2A,當受控設備功耗較大時需增加現場聯動電源和DC.24V中間繼電器。
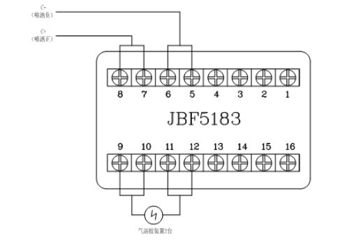
六、JBF5016氣體滅火控制器控制氣溶膠氣滅裝置接線

安裝注意事項:
控制氣溶膠氣體滅火裝置時,需配接JBF5183氣溶膠控制接線盒,每只JBF5183最多可連接2臺氣溶膠滅火裝置。
輸入:端子(5、6)接C-;端子(7、8)接C+;輸出:端子(9、10)、端子(11、12)連接氣溶膠滅火裝置。
七、JBF5016氣體滅火控制器控制系統圖

上一篇:青鳥JBF5013氣體滅火控制器
下一篇:青鳥JBF5015氣體滅火控制器
本文標簽: 青鳥JBF5016氣體滅火控制器
最新產品
相關新聞
- 石家莊濕式報警閥有什么問題?2025-11-01
- 石家莊評關于堅決抵制建設工程消防驗收現場評定業務低價競爭的倡議書2025-11-01
- 石家莊氣體滅火系統選擇閥的工作壓力應滿足2025-10-28
- 石家莊氣體滅火系統不適用于撲救哪些火災2025-10-28
- 石家莊電信機房氣體滅火系統搭建要點2025-10-21
- 石家莊控制室是否需要設置氣體滅火系統?2025-10-21
- 石家莊外貯壓管網式七氟丙烷管道:綜述與應用分析2025-10-15
- 石家莊氣體滅火系統用于撲救什么火災2025-10-15
- 石家莊氣體滅火鋼瓶的設計使用年限,檢測周期是什么?2025-09-18
- 石家莊外貯壓管網式七氟丙烷管道:綜述與應用分析2025-09-18



服務熱線:4006-598-119 18751140119
地址:蘇州常熟市黃河路275號
客服 